西格玛医学官方网站
  • 首页
  • 解决方案
    器械临床试验 注册人制度 医学监查 质量管理体系 注册服务 法规事务 器械SMO 第三方稽查 数据管理 生物统计 国际注册
  • 医械资源
    法律法规 指导原则 标准体系 行业规范 知识问答
  • 新闻资讯
    公司动态 行业资讯 媒体报道 西格洞察
  • 关于我们
    公司简介 公司荣誉 公司文化 公司优势
  • 联系我们
    加入我们 商务合作
|
首页 > 医械资源 > 指导原则

医用控温毯注册技术审查指导原则(2017年修订版)(2017年第177号)

作者:小编 更新时间:2022-09-09 点击数:

附件2

 

医用控温毯注册技术审查指导原则

(2017年修订版)

 

本指导原则旨在指导和规范医用控温毯产品的技术审评工作,帮助审查人员增进对该类产品机理、结构、主要性能、预期用途等方面的理解,方便审查人员在产品注册把握技术审评时把握基本的要求和尺度。

本指导原则所确定的核心内容是在目前的科技认识水平和现有产品技术基础上形成的,因此,审评人员应注意其适宜性,密切关注适用标准及相关技术的最新进展,考虑产品的更新和变化。

本指导原则不作为法规强制执行,不包括行政审批要求。但是,审评人员需密切关注相关法规的变化,以确认申报产品是否符合法规要求。

一、适用范围

本指导原则适用于管理类别为二类的医用控温毯,该类产品通过控制设备内循环液体的温度,具有对人体进行体外物理升温和/或降温功能,达到辅助调节人体温度目的的设备。

本指导原则不包括热垫式治疗仪、只用于四肢和额头冷/热敷的产品,但在审查此类产品时也可参考本指导原则部分内容。

二、技术审查要点

(一)产品名称要求

1.产品名称建议规范为“医用控温毯”。

2.若产品仅具有降温功能,产品名称建议规范为“医用降温毯”,若产品仅具有升温功能,产品名称建议规范为“医用升温毯”。

(二)产品的结构和组成

按控温目的分为:单冷型、单热型、冷热型。

按组成分为:主机(如图1所示)、毯子和体温传感器等。

按系统分为:控温系统组件、控制系统组件、水循环系统组件和壳体组件等。

13c7c2464e4c4ef39f07f36c497c72d8.png 

图1 控温毯设备主机外观示意图

1.控温系统组件:由压缩机、冷凝器、蒸发器、水箱、风机、四通阀或加热组件等组成。

2.控制系统组件:由中央控制器、人体温度传感器、水温度传感器、水位传感器、超温保护装置等组成。

3.水循环系统组件:由循环泵、管路、毯子等组成。

4.壳体组件:由机架、外壳等组成。

(三)产品工作原理和作用机理

1.产品工作原理

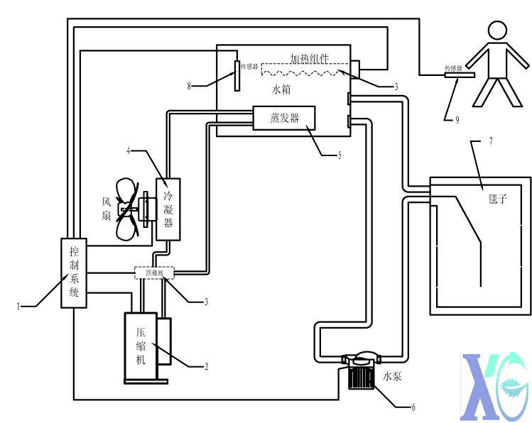
控温毯工作原理:在主机供水口与回水口上接上内有循环管路的毯子,中央控制器通过人体温度控制反馈对压缩机、风扇、水泵等进行实时控制,即可实现毯子的循环水制冷、制热的温度控制,循环水与患者发生热量交换,达到控制体温目的,如图2所示。

1e159c75c9310854bc30500e78544a78.png 

1.控制系统;2.压缩机;3.四通阀或加热组件(制热功能时可选择四通阀或加热组件);4.冷凝器;5.蒸发器;6.水泵;7.毯子;8.水温传感器;9.体温传感器。

图2 控温毯原理示意图

2.产品作用机理

因该产品为非直接治疗类医疗器械,故本指导原则不包含产品作用机理的内容。

(四)注册单元划分的原则和实例

医用控温毯的注册单元原则上以技术结构、性能指标、预期用途作为划分注册单元的依据。

不同的电击防护类型应作为不同注册单元进行注册。如电击防护类型分别为I类、Ⅱ类控温毯,应按照两个注册单元进行注册。

单冷型、单热型及冷热型控温毯应按照不同的注册单元进行注册。

(五)产品适用的相关标准

根据产品自身特点适用表1中相关标准:

表1 相关产品标准

标准编号

标准名称

GB/T 191—2008

包装储运图示标志

GB/T 9969.1—2008

工业产品使用说明书总则

GB 9706.1—2007

医用电气设备第1部分:安全通用要求

GB/T 14710—2009

医用电器环境要求及试验方法

GB/T 16886.1—2011

医疗器械生物学评价第1部分:风险管理过程中的评价与试验(如适用)

GB/T 16886.5—2003

医疗器械生物学评价第5部分:体外细胞毒性试验(如适用)

GB/T 16886.10—2005

医疗器械生物学评价第10部分:刺激与迟发型超敏反应试验(如适用)

YY/T 0316—2016

医疗器械风险管理对医疗器械的应用

YY 0505—2012

医用电气设备第1—2部分:安全通用要求并列标准:电磁兼容要求和试验

YY 0709—2009

医用电气设备第1—8部分:安全通用要求并列标准:通用要求,医用电气设备和医用电气系统中报警系统的测试和指南(如适用)

YY 0785—2010

临床体温计连续测量的电子体温计性能要求

YY 0834—2011

医用电气设备第2部分:医用电热毯、电热垫和电热床垫安全专用要求

YY 0952—2015

医用控温毯

 

上述标准包括了产品技术要求中经常涉及到的部件标准和方法标准。有的企业还会根据产品的特点引用一些行业外的标准和一些较为特殊的标准。

产品适用及引用标准的审查可以分两步来进行。首先对引用标准的齐全性和适宜性进行审查,也就是在编写产品技术要求时与产品相关的国家、行业标准是否进行了引用,以及引用是否准确。可以通过对“符合性声明”中声明符合的相关标准是否齐全、适宜来进行审查。此时,应注意标准编号、标准名称是否完整规范,年代号是否有效。其次对引用标准的采纳情况进行审查。即所引用的标准中的条款要求,是否在产品技术要求中进行了实质性的条款引用。

上述标准如有新版发布实施,应执行最新版本。

(六)产品的适用范围/预期用途、禁忌症

1.医用控温毯(冷热型)

适用范围一般为“适用于医疗机构高热患者物理降温和低温患者物理升温以及需要保持体温的患者”。

2.医用降温毯(单冷型)

适用范围一般为“适用于医疗机构高热患者物理降温以及需要保持体温的患者”。

3.医用升温毯(单热型)

适用范围一般为“适用于医疗机构低温患者物理升温以及需要保持体温的患者”。

禁忌症:暂未发现。

(七)产品的主要风险及研究要求

医用控温毯的风险管理报告应符合YY/T 0316—2016《医疗器械风险管理对医疗器械的应用》的有关要求,审查要点包括:

1.产品有关的安全性特征判定可参考YY/T 0316—2016的附录C。

2.危害、可预见的事件序列和危害处境判断可参考YY/T 0316—2016附录E、I。

3.风险控制的方案与实施、综合剩余风险的可接受性评价及生产和生产后监视相关方法可参考YY/T 0316—2016附录F、G、J。

4.风险可接受准则,降低风险的措施及采取措施后风险的可接收程度,是否有新的风险产生。

下表依据YY/T 0316—2016的附录E(表E.1)列举了控温毯产品有关的可能危害示例的不完全清单,以帮助判定与控温毯产品有关的危害。企业还应根据自身产品特点确定其他可能危害。针对产品的各项风险,企业应采取控制措施,确保风险降到可接受的程度。

表2 危害类型、形成因素及防范控制措施

危害类型

形成因素

能量危害

电磁能

可触及金属、外壳等与带电部分隔离/保护不够,电介质强度不够,可能对使用者造成电击危害。

产品外壳绝缘/隔离不够,可能引起过量漏电流伤害使用者或患者。

抗电磁干扰能力差、特定环境下工作不正常,或干扰其他设备正常工作。

热能

未安装水路超温保护、传感器故障保护提示等装置,导致过高或过低温度输出,可能引起患者烫伤或冻伤。

机械能

产品面、角、边粗糙,都可能对使用者或患者造成机械损伤。

生物学和化学危害

生物学和

化学危害

产品清洁或消毒不完全,可能会使患者皮肤感染,细菌、病毒等进入患者体内。

生物相容性

应用部分若直接与患者皮肤接触,毯面材料应进行生物相容性评价。

操作危害

使用错误

日常使用、维护、校准未按规定进行,导致产品偏离正常使用状态。

信息危害

不适当的标记

标记缺少或不正确,标记的位置不正确,不能被正确地识别,不能永久贴牢和清楚易认等。

不完整的说明书

说明书中对产品性能特征、预期用途、使用限制等描述不规范、不完整,导致产品的非预期或超范围使用。

不适当的操作说明

日常使用、维护、校准规定不明确、不适当。

(八)产品技术要求应包括的主要性能指标

产品技术要求审查是产品主要性能指标审查中最重要的环节之一。产品技术要求中的技术指标部分是否齐全,可以通过对是否具有以下主要内容来进行审评:

1.正常工作条件

控温毯的工作条件由制造商规定。

2.性能

2.1循环液体温度

2.1.1循环液体温度设定范围由制造商规定。步进:≤1℃。

2.1.2循环液体温度允差:±1.5℃。

2.2体温传感器

2.2.1控温系统可以设定患者的目标体温。制冷设定范围:30.0℃—40.0℃;制热设定范围:30.0℃—37.0℃。步进:≤0.5℃。

2.2.2体温传感器监测范围不小于28℃—43℃,允差:±0.2℃。

2.3空载平均速率

制冷/制热空载平均速率应在制造商规定的范围内;该范围和对应的温度变化区间应由制造商规定。

2.4负载最大平均速率

在规定的负载条件下,制冷/制热最大平均速率范围由制造商规定。

2.5噪声

控温毯正常工作时,噪声≤60dB(A)。

2.6承重要求

控温毯正常工作时,毯子承重应≥135kg。

2.7毯子尺寸

由制造商规定,允许误差±5%。

2.8密封性

控温毯循环管路密封应良好,无泄漏现象。

3.功能

3.1循环液体温度超过42℃时,应停止工作,并具有提示/报警功能。

3.2循环液体不足时,应停止工作,并具有提示/报警功能。

3.3体温传感器监测功能异常时,应具有提示/报警功能。

3.4控温毯不应仅由于改变温度设定值而自动在制冷和制热模式之间切换。

4.电气安全

4.1应符合GB 9706.1—2007的要求。

4.2具有制热功能的控温毯,应符合YY 0834—2011的要求。

4.3具有报警功能的控温毯应符合YY 0709—2009的要求。

5.电磁兼容性

应符合YY 0505—2012的要求。

6.环境试验

应符合GB/T 14710—2009的要求。

7.外观

7.1主机外观整洁、漆膜色泽均匀,无伤划等缺陷。

7.2毯子表面应均匀,无变色、脱色、渗漏和开裂现象。

(九)同一注册单元内注册检验代表产品确定原则和实例

医用控温毯同一注册单元内所检测的产品,应当是能够代表本注册单元内其他产品安全性和有效性的典型产品。建议以功能最多,能覆盖注册单元全部功能的一个或多个型号作为典型型号。

(十)产品生产制造相关要求

应当明确医用控温毯产品的生产工艺过程,可采用流程图的形式,并说明其过程控制点。有多个研制、生产场地,应当概述每个研制、生产场地的实际情况。

(十一)产品的临床评价细化要求

医用控温毯产品的临床评价应符合《医疗器械注册管理办法》(国家食品药品监督管理总局令第4号)和《医疗器械临床评价技术指导原则》(国家食品药品监督管理总局通告2015年第14号)的要求。

参照《免于进行临床试验的第二类医疗器械目录》(国家食品药品监督管理总局通告2014年第12号)(以下简称《目录》),医用控温毯产品的临床评价资料要求如下:

1.提交申报产品相关信息与《目录》所述内容的比对资料:

申报产品相关信息与《目录》所述内容(产品名称、结构组成、适用标准、预期用途等)的比对资料;

2.提交申报产品与《目录》中境内已上市同品种医疗器械的比对说明,比对说明应当包括《申报产品与目录内境内已上市同品种医疗器械比对表》和相应支持性资料。对比内容应包括产品名称、基本原理、机构组成、性能要求、适用范围、使用方法等;支持性资料是指申报产品与《目录》产品的差异性对申报产品的安全有效性不产生影响的理由和依据,可以附件的形式提供。

提交的上述资料应能证明申报产品与《目录》所述的产品具有等同性。

(十二)产品的不良事件历史记录

根据北京市药品不良反应中心提供的信息,2008年1月15日控温毯用于“肝炎后肝硬化门静脉高压症”患者在全麻下行“脾切除术加门奇静脉断流术”中为患者升温过程中曾发生如下不良事件:患者背部及右肘部皮肤红肿部分水泡,面积3%,诊断为皮肤烫伤(Ⅱ度)。

分析原因:

手术过程中,控温毯受强电磁干扰后控温系统失控所致,控温毯缺乏抗电磁干扰能力,又没有提供切实可行的抗干扰措施,不良事件发生与控温毯在抗电磁干扰方面的设计缺陷直接相关。

整改方法:

1.参照YY 0505—2012电磁兼容要求和试验标准,提高控温毯产品抗电磁干扰能力。

2.生产企业修改说明书,限制控温毯使用范围,提供其使用环境电磁强度的具体要求;明确关键部件,如:温度传感器、温度显示器等监视和维护的方法,以便于使用者操作。

3.医疗机构完善医用设备使用制度,按照说明书要求对控温毯进行定期维护和保养,并做好相应记录。在使用过程中应尽量避免与强电磁干扰设备同时使用,出现异常情况应注意观察患者状况。

(十三)产品说明书和标签要求

1.通用要求

产品的标志、标签和使用说明书应符合《医疗器械说明书和标签管理规定》(国家食品药品监督管理总局令第6号)的规定。

2.使用说明书

2.1产品名称、型号、规格。

2.2注册人的名称、住所、联系方式及售后服务单位,进口医疗器械还应当载明代理人的名称、住所及联系方式。

2.3生产企业的名称、住所、生产地址、联系方式及生产许可证编号,委托生产的还应当标注受托企业的名称、住所、生产地址、生产许可证编号。

2.4医疗器械注册证编号。

2.5产品技术要求的编号。

2.6产品性能、主要结构组成、适用范围。

2.7禁忌症、注意事项以及其他需要警示或者提示的内容。

2.8安装和使用说明或者图示。

2.9产品维护和保养方法,特殊储存、运输条件、方法。

2.10生产日期,使用期限或者失效日期。

2.11配件清单,包括配件、附属品、损耗品更换周期以及更换方法的说明等。

2.12医疗器械标签所用的图形、符号、缩写等内容的解释。

2.13说明书的编制或者修订日期。

2.14冷凝器定期维护或清洁的方法和频次。

2.15控温毯温度达到稳态输出所需的时间。

2.16防止循环液体结冰的说明(如有)。

2.17检查、补充或更换循环液体的方法和频次。

注:应明确“补充、更换循环液体应在停机状态下完成”。

2.18温度传感器的校准周期及自校方法。

2.19应标明体温传感器不可单独作为体温监测装置使用。

2.20应当在说明书中标明的其他内容(如有)。

3.标签

3.1产品名称、型号、规格。

3.2注册人的名称、住所、联系方式,进口医疗器械还应当载明代理人的名称、住所及联系方式。

3.3医疗器械注册证编号。

3.4生产企业的名称、住所、生产地址、联系方式及生产许可证编号,委托生产的还应当标注受托企业的名称、住所、生产地址、生产许可证编号。

3.5生产日期,使用期限或者失效日期。

3.6电源连接条件、输入功率。

3.7依据产品特性应当标注的图形、符号以及其他相关内容。

3.8必要的警示、注意事项。

3.9特殊储存、操作条件或者说明。

3.10使用中对环境有破坏或者负面影响的医疗器械,其标签应当包含警示标志或者中文警示说明。

标签因位置或者大小受限而无法全部标明上述内容的,至少应当标注产品名称、型号、规格、生产日期和使用期限或者失效日期,并在标签中明确“其他内容详见说明书”。

(十四)研究要求

根据所申报的产品,提供适用的研究资料。

1.产品性能研究

应当提供产品性能研究资料以及产品技术要求的研究和编制说明,包括功能性、安全性指标(如电气安全与电磁兼容、辐射安全)以及与质量控制相关的其他指标的确定依据,所采用的标准或方法、采用的原因及理论基础。

2.生物相容性评价研究

应对成品中与患者和使用者直接或间接接触的材料的生物相容性进行评价。

生物相容性评价研究资料应当包括:生物相容性评价的依据和方法;产品所用材料的描述及与人体接触的性质;实施或豁免生物学试验的理由和论证;对于现有数据或试验结果的评价。

3.灭菌和消毒工艺研究

终端用户消毒:如适用,应明确推荐的消毒工艺(方法和参数)以及所推荐消毒方法确定的依据

4.产品有效期和包装研究

有效期的确定:如适用,应当提供产品有效期的验证报告。

对于有限次重复使用的医疗器械,应当提供使用次数验证资料。

包装及包装完整性:在宣称的有效期内以及运输储存条件下,保持包装完整性的依据。

5.软件研究

含有软件的产品,应当提供一份单独的医疗器械软件描述文档,内容包括基本信息、实现过程和核心算法,详尽程度取决于软件的安全性级别和复杂程度。同时,应出具关于软件版本命名规则的声明,并明确软件版本的全部字段及字段含义,确定软件的完整版本和发行所用的标识版本。具体参见《医疗器械软件注册技术审查指导原则》(国家食品药品监督管理总局通告2015年第50号)的相关要求。

6.其他资料

证明产品安全性、有效性的其他研究资料。

三、审查关注点

(一)产品技术要求

医用控温毯产品技术要求编写的规范性,“要求”一章的内容是否根据医用控温毯产品特性进行了完整的要求。

(二)产品安全风险分析

产品的主要风险是否已经列举,并通过风险控制措施使产品的安全性在合理可接受的程度之内。

(三)预期用途

医用控温毯产品的预期用途,从医疗器械注册申请表、综述资料、研究资料、产品风险分析资料、使用说明书、临床评价资料等方面阐述的是否一致。

(四)使用说明书

使用说明书中必须告知用户的信息是否完整,如应明确本产品使用的环境、使用人群和限制使用的情况;应明确产品一次性使用附件的使用注意事项等。

四、编写单位

北京市医疗器械技术审评中心。


加入收藏
上一篇:低频电疗仪注册技术审查指导原则(2020年第39号)
下一篇:热敷贴(袋)产品注册技术审查指导原则(2020年第39号)
返回列表

随便看看

  • 袜型医用压力带注册技术审查指导原则(2017年第14号)
  • 脉搏血氧仪设备临床评价技术指导原则(2016年第21号)
  • 髋关节假体系统注册技术审查指导原则
  • 外科纱布敷料注册技术审查指导原则
  • 脉搏血氧仪设备临床评价技术指导原则
  • 离心式血液成分分离设备临床评价注册技术审查指导原则
  • 角膜塑形用硬性透气接触镜临床试验指导原则
  • 医用洁净工作台注册技术审查指导原则
  • 有源医疗器械使用期限分析评价报告
  • 一次性使用胆红素血浆吸附器注册技术审查指导原则(2018年第126号)

医械资源推荐

  • 质子/碳离子治疗系统技术审查指导原则

β-随机化系统

sigma培训系统

临床数据管理

贝塔临床试验管理

合作担当 正直诚信 专业精益求精 服务永无止境

立即联系我们
www.sigma-stat.com

南京市鼓楼区汉中路180号星汉大厦20楼

15366102788 / 025-86210646

  • 解决方案 器械临床试验 注册人制度 医学监查 质量管理体系 注册服务 法规事务 器械SMO 第三方稽查 数据管理 生物统计 国际注册
  • 医械资源 法律法规 指导原则 标准体系 行业规范 知识问答
  • 新闻资讯 公司动态 行业资讯 媒体报道 西格洞察
  • 关于我们 公司简介 公司荣誉 公司文化 公司优势
  • 联系我们 加入我们 商务合作
一对一服务 西格玛数据库

© 2022-2032 版权归南京西格玛医学技术股份有限公司所有

苏ICP备19023443号

互联网药品信息服务资格证书编号:(苏)-非经营性-2021-0108